OVLÁDÁNÍ ČTYŘ PŘEVODNÍKŮ KÓDU BCD NA 1 ZE 16
S VYUŽITÍM POSUVNÝCH REGISTRŮ CD4094
A MOŽNOSTÍ VLASTNÍHO ZADÁNÍ OBRAZCE.
Vágner Vlastimil
Přípravek se připojuje na sériový port počítače PC nebo pomocí převodníku USB/COM,tento převodník musí podporovat všechny vstupy/výstupy původního sériového portu PC.Počítač ovládá čtyři převodníky BCD kódu na 1 ze 16 pomocí posuvných registrů CD4094.Každý převodník BCD již spíná led diody v maticovém displeji složeném z 4 * 4 led diod. Přípravek načítá data ze souboru a dle zadání číselné hodnoty každý ze čtyř převodníků kódu BCD rozsvěcí vždy jednu led diodu z šestnácti,to umožňuje rozsvítit maximálně najednou čtyři led diody v maticovém displeji.Tyto hodnoty si může každý změnit dle vlastního uvážení a tím měnit obrazce,přípravek má hlavně posloužit k vlastní inspiraci a ti kdož programují si napíší dle své potřeby vlastní program pod Windows.
POPIS PŘÍPRAVKU
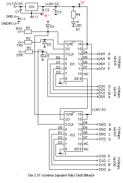
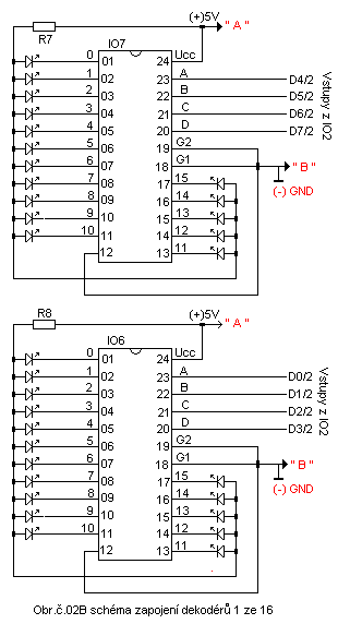
Napájení přípravku je napětím 12VDC ze zdroje který je schopen dát 1.5A odběr přípravku nepřevyšuje 0.5A.Toto napětí je upraveno stabilizátorem IO3 7805 na hodnotu 5V které napájí celý přípravek včetně led diod v maticovém displeji.Ovládání převodníků kódu BCD na 1 ze 16 které tvoří IO4,IO5,IO6,IO7 což jsou 74LS154 je použito integrovaných obvodů IO1 a IO2 CD4094 což jsou sérioparalelní posuvné registry.Řídící výstupy DTR,RTS,TXT z počítače PC jsou upraveny Zenerovými diodami D1,D2,D3 a rezistory R1,R2,R3 na vhodnou napěťovou úroveň vstupů IO1 a IO2 celkové schéma zapojení přípravku je na obrázcích č.01,č.02A,č.02B.Omezovací rezistory R5,R6,R7,R8 u každého převodníku BCD pro šestnáct led diod nastavují protékající proud dle proudu použitých led diod v tomto zapojení jsou použity led diody 2V/0.002A a proud je omezen na 0.0015A.Integrovaný obvod IO1 ovládá dva převodníky IO4 a IO5 kódu BCD 1ze 16,integrovaný obvod IO2 ovládá dva převodníky IO6 a IO7 kódu BCD 1 ze 16.
MATICOVÉ LED POLE
Výroba pole bude čistě individuální věc může být vyrobeno jako ploché,nebo jako čtyři patra každé po 4 * 4 = 16 led.Při sestavě do pater každý převodník kódu BCD 1 ze 16 ovládá jedno patro.Na obrázku č.04 je nakresleno možné rozmístění led diod plochého maticového displeje s popisem výstupů jednotlivých integrovaných obvodů IO4 až IO7.na obrázku č.03 je prázdné pole pro vlastní tvorbu programů na rozsvěcení led.
POPIS FUNKCE
PŘÍPRAVKU
Rozsvěcování led diod v maticovém poli řídí plně počítač PC dle
hodnot uložených v souboru první.dat počítač vždy načte
hodnotu a tato rozsvítí navolenou(ne) led diodu(y) na zadaný čas (vteřinách)
toto také zadáváme v programu.Po tomto čase led dioda(y) zhasne(ou) a program načte další hodnotu ze
souboru a celý děj se opakuje.Pokud program načte poslední hodnotu
v souboru první.dat opět
načte první hodnotu v souboru a celý děj se opakuje dokud neukončíme
program stiskem klávesy ESC.Hodnoty v souboru první.dat upravujeme pomocí programu soubor.exe dle tabulky na obrázku č.04.Pokud máme již vytvořený soubor
první.dat můžeme hodnoty změnit,doplnit
v jakémkoliv manažéru pod Windows Salamandr apod.,v OS DOS Volkov,M602
apod.POUZE POSLEDNÍ
ZADANÁ HODNOTA V SOUBORU PRVNÍ.DAT MUSÍ BÝT „0“.
SCHÉMATA ZAPOJENÍ

Seznam součástek : Rezistory : R1,R2,R3…..10K /0.6W , R4….2K2 , / 0.6W
Kondenzátory: C1,C2…100nF (keramika),C3…470uF/16V Elektrolyt
Led dioda D1…2V/0.002A 3mm , Diody D1,D2,D3….4.7V Zenerky
Stabilizátor IO3…7805 , IO1,IO2…CD4094 posuv.registr + patice
______

Seznam součástek : Rezistory R5 – R8…..2K / 0.6W
IO4,IO5,IO6,IO7….74LS154(74HCT154,MH74154) + patice pro IO
Led diody 2V/0.002A 3mm zelená,žlutá,Červená počet kusů od každé barvy je individuální,celkový počet led diod v zapojení je 64ks.
Na obrázku č.03 je rozkreslení maticového displeje po 4*4 led diod = 16,pro čtyři převodníky BCD kódu 1ze 16.

__________________________________________________________________________
TABULKA PRO VÝPOČET A ZADÁNÍ HODNOT DO
SOUBORU PRVNÍ.DAT
Pro snadné zadávání hodnot do souboru tak aby svítila led dioda nebo led diody pro zobrazení obrazce co chceme zadat je zde tabulka ! TUTO DOPORUČUJI SI PRO SNADNÉ POCHOPENÍ A ZADÁVÁNÍ HODNOT VYTISKNOUT ! postup zadávání je takovýto pokud chceme aby se rozsvítila led dioda ve čtverci označeném 1 IO4 tak si zjistíme hodnotu BCD kódu podle tabulky č.04.xls a hodnotu bitů D0/1 až D3/1 posuvného registru IO1 podle tabulky č.03.xls který ovládá tento převodník kódu BCD.Výstupu 1 IO4 odpovídá kombinace podle tabulky č.04.xls v kódu BCD takto A=H , B=L , C=L , D=L.Podle zapojení z obrázku č.01 je výstup D0/1=A , D1/1=B , D2/1=C , D3/1=D,podle tabulky č.03.xls zadáme hodnotu 128.Pokud chceme rozsvítit led na výstupu 1 IO5 zadáme hodnotu podle tabulky č.04.xls v kódu BCD opět A=H , B=L , C=L , D=L. Podle zapojení z obrázku č.01 je výstup D4/1=A , D5/1=B , D6/1=C , D7/1=D,podle tabulky č.03.xls zadáme hodnotu 8.Pokud chceme rozsvítit obě diody najednou zadáme hodnotu 128+8=136.Stejně se postupuje i při zadávání jiných hodnot pro jiné světelné efekty.Výstupy 0 IO4,0 IO5,0 IO6,0 IO7 jsou aktivní po spuštění programu a resetu IO1,IO2 to znamená že led připojené na tyto výstupy svítí okamžitě.
V souboru
PRVNÍ.DAT jsou již hodnoty pro otestování hotového přípravku programem
LED.EXE,hodnoty postupně rozsvěcí led diody na výstupech převodníků BCD kódu
takto.Po zadání časového údaje rozsvítí vždy
současně led diody na výstupech č.1
IO4,č.1 IO5,č.1 IO6,č.1 IO7,pak současně výstupy č.2 až k výstupům č.15.
V tabulkách č01-02.xls je hodnota bitů od D0 do D7 a od D8 do D15 včetně jejich desítkové a binární(dvojkové hodnoty),současně v tabulce č.03.xls jsou hodnoty jak SE MUSEJÍ ZADÁVAT PRO SÉRIOPARALELNÍ POSUVNÉ REGISTRY CD4094,to znamená že normálně hodnota bitu č.D0 je 1 a bitu D7 je 128 tak do posuvného registru IO1 4094 pokud chceme aby bit č.D0/1 byl v logické jedničce MUSÍME ZADAT HOTNOTU 128.Pokud chceme aby byl v logické jedničce bit č.D7/1 musíme zadat hodnotu 1.
POPIS PROGRAMŮ
Programy jsou odladěny v Turbo Pascalu uloženy jsou v adresáři CD4094 včetně tohoto popisu a tabulek,mají názvy LED.EXE,SOUBOR.EXE,TEST.EXE a PREVOD.EXE všechny programy jdou spustit na počítačích kde není ani pevný disk v tomto případě stačí když PC má disketovou mechaniku a disketu si naformátujeme a vytvoříme si na ní systémové soubory a poté přihrajeme soubory které chceme spouštět.Pokud chceme programy spouštět na počítačích kde je OS Windows 95/98 máme dvě možnosti buď při startu PC stiskem klávesy F8 zvolíme pouze DOS nebo je můžeme spouštět z příkazové řádky.Pokud máme na počítači OS Windows 2000,XP,NT,Windows7,Vista můžeme tyto programy spouštět POUZE Z PŘÍKAZOVÉ ŘÁDKY POKUD JSOU WINDOWS ŘÁDNĚ NAINSTALOVÁNY A POUZE JAKO 32-BITOVÉ.Pokud jsou uvedené Windows nainstalovány jako 64-bitové programy nelze spustit.
POPIS OVLÁDÁNÍ PROGRAMŮ :
SOUBOR.EXE : V tomto programu zadáváme hodnoty pro blikání led diod program po spuštění čeká na zadání hodnoty za x = po jejím zadání stiskneme ENTER a x = se posune na nový řádek po zadání námi poslední hodnoty zadáme za x = 0 a stiskneme ENTER program s ukončí a v adresáři ke je tento program SOUBOR.EXE se vytvoří soubor s názvem PRVNÍ.DAT.
TEST.EXE : Program na oživení přípravku po spuštění programu zadáme hodnotu sériového portu kde je připojený přípravek,tuto hodnotu zadáváme tak že stiskem klávesy s číslicí 1 volíme port COM1,stiskem klávesy s číslicí 2 volíme port COM2 atd.Po volbě portu zadáme hodnotu v maximálním rozsahu do 65535 po jejím zadání stiskneme klávesu ENTER program pak na dalším řádku zobrazuje tuto hodnotu v binární hodnotě a na dalším řádku tak jak je poslána na integrované obvody IO1 a IO2 to znamená že zobrazí : výstup Lo ….. Hi….. hodnota za Lo znamená integrovaný obvod IO1 a hodnota za Hi integrovaný obvod IO2.Nové zadání je možné po stisku klávesy MEZERNÍK a po zadání nové hodnoty opět stiskem ENTER.Program se ukončí stiskem klávesy ESC,po stisku klávesy ESC se program okamžitě ukončí provede přepnutí monitoru do normálního stavu,provede vypnutí výstupů zvoleného sériového portu tzv.že vše uvede do normálu.
LED.EXE : Program na vlastní blikání dle hodnot v souboru PRVNÍ.DAT po spuštění programu zvolíme port kde je připojený přípravek ten volíme stejně jako u programu TEST.EXE.Po volbě portu zadáme hodnotu ve vteřinách po jaké se budou postupně zobrazovat hodnoty načítané ze souboru PRVNÍ.DAT,po zadaní hodnoty stiskneme ENTER program na dalším řádku zobrazí hodnotu která je načtena ze souboru PRVNÍ DAT.Program ukončíme stiskem klávesy ESC,program ještě provede jeden průchod smyčkou v zadaném časovém úseku ukončí se a provede přepnutí monitoru do normálního stavu,provede vypnutí výstupů zvoleného sériového portu tzv.že vše uvede do normálu.UPOZORNĚNÍ POKUD SE V ADRESÁŘI KDE JE PROGRAM BLIKAC.EXE NENACHÁZÍ SOUBOR PRVNÍ.DAT program na toto upozorní a po stisku klávesy ESC se ukončí.
PREVOD.EXE : Program na převod čísel
z desítkové soustavy do binární(dvojkové) soustavy,po spuštění zadáme
hodnotu v desítkové soustavě a program zobrazí její hodnotu v binární(dvojkové)soustavě.Program
ukončíme stiskem klávesy ESC.
POSTUP PŘI
OŽIVOVÁNÍ
Po osazení desek zatím neosazujeme IO1,IO2,IO4,IO5,IO6,IO7 pokud máme blikač vyrobený na více deskách provedeme jejich propojení.Na stabilizátor připojíme napájecí napětí 12V DC a na výstupu změříme výstupní hodnotu zda je 5V to samé napětí změříme na paticích pro integrované obvody na napájecích pinech IO,dále postupně na maticovém poli led diod odzkoušíme že všech 64 led svítí to odzkoušíme tak že všechny výstupy převodníků kódů BCD IO4,IO5,IO6IO7 označené 0 až 15 připojíme na záporný pól (-) napájecího napětí.Nyní odpojíme napájecí napětí 12V DC od přípravku do patic osadíme IO2 a IO3 pokud máme přípravek složený z více desek tak tyto vzájemně rozpojíme,propojíme přípravek počítačem PC připojíme napájecí napětí 12V DC na počítači spustíme program TEST.EXE vybereme port kde je připojený přípravek a zatím nezadáme žádnou hodnotu nyní pomocí DMM změříme výstupy IO1 D0/1 až D7/1 a IO2 D0/2 až D7/2 proti GND(-) na žádném výstupu obou IO nesmíme naměřit žádné napětí (+)5V.Nyní zadáme hodnotu 128 a stiskneme ETER nyní musíme na výstupu IO1 D0/1 naměřit (+)5V a na ostatních výstupech nesmíme naměřit žádné napětí,stiskneme klávesu MEZERNÍK a zadáme hodnotu 64 a stiskneme ENTER nyní na výstupu D1/1 musíme naměřit (+)5V a na ostatních výstupech nesmíme naměřit žádné napětí takto postupujeme až k bitu D7/1 pro snadnější zadávání hodnot využijeme tabulku č.03.xls na konec zadáme hodnotu 255 a na všech výstupech IO1 musíme naměřit (+)5V po proměření stiskneme klávesu MEZERNÍK.Po tomto odzkoušení funkce IO1 přistoupíme k odzkoušení IO2 zadáme hodnotu 32768 pro snadnější zadávání použijeme tabulku č.03.xls stiskneme ENTER a na bitu D0/2 musíme naměřit (+)5V a na ostatních bitech nesmíme naměřit žádné napětí (+)5V po proměření stiskneme MEZERNÍK a zadáme hodnotu 16384 a na bitu D1/2 musíme naměřit (+)5V po odzkoušení všech výstupů IO2 zadáme hodnotu 65280 a stiskneme ENTER nyní musíme naměřit (+)5V na všech výstupech IO2 po tomto odzkoušení stiskneme na klávesnici klávesu ESC.Po této zkoušce odpojíme napájecí napětí 12V a pokud máme přípravek na více deskách tak je propojíme osadíme do patic IO4,IO5,IO6,IO7,nyní podle tabulky č.04.xls a tabulky č.03.xls si vypočítáme hodnoty pro výstupy 0 až 15 jednotlivých převodníků kódů IO4,IO5,IO6,IO7 a tyto zadáváme ve spuštěném programu test.exe a na maticovém displeji se nám musí rozsvěcet led diody dle hodnoty z tabulek č.04.xls a č.03.xls,tímto je oživení ukončeno zbývá již pouze přípravek umístit do krabičky a napsat si vlastní program na blikání.
POSTUP ZADÁVÁNÍ
HODNOT PRO BLIKÁNÍ
Hodnoty které chceme aby s zobrazovali pomocí led diod si připravíme dle obrázku č.04,tabulky č.04.xls a tabulky č.03.xls tak že si je postupně zapisujeme buď na papír nebo přímo do souboru první.dat v tom případě spustíme program soubor.exe a za x = zadáme hodnotu a stiskneme ENTER pak zadáme další hodnotu a opět stiskneme ENTER v případě že máme zadány všechny hodnoty co chceme jako POSLEDNÍ ZADÁME ZA X= 0 a stiskneme ENTER program soubor.exe se ukončí a v adresáři kde je tento soubor umístěn VYTVOŘÍ SÁM SOUBOR S NÁZVEM PRVNÍ.DAT.Tím to je náš vytvořený soubor na blikání uložený a program LED.EXE z tohoto souboru PRVNÍ.DAT načítá hodnoty podle kterých nám pak led diody v maticovém poli blikají.POZOR SOUBOR S NÁZVEM PRVNÍ.DAT SE MUSÍ NACHÁZET VE STEJNÉM ADRESÁŘI JAKO PROGRAM LED.EXE
Hodně zábavy při vymýšlení obrazců pro maticové led pole.
Vágner
Tel.: +420 607 405 007